Опис дверного блоку з коробочним брусом Luxe (зовнішнє відкривання).

* Врізка під замок здійснюється на усіх полотнах. В разі замовлення полотна нестандартної висоти врізка під замок за замовчуванням робиться на висоті 1000мм від низу полотна (по центру відносно середини замка, як вказано на кресленні).
* Фрезерування під петлі здійснюється по додатковому замовленню клієнта.
Що таке дверне полотно?
Дверне полотно-це рухома частина дверей. Зазвичай полотно навішується за допомогою петель на короб, за допомогою роликів на рейку ковзання.
Дверне полотно складається з:
1. Каркас (каркас зроблений з переклеєного массиву деревини та фанери)
2. МДФ

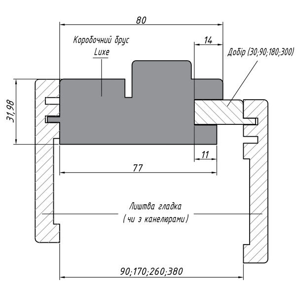
Дверна коробка - це частина двері , яка закріплюється в стінах дверного пройому і служить для навішування на неї дверного полотна .
Що таке дверна коробка?
Товщина - 32мм.
Ширина – ( загальна 80мм); (робоча 77мм)
Матеріали:
- Фанера
- МДФ
- Фарбування
Що таке лиштва?
Лиштва - це профіль , що обрамляє дверний отвір , закриває щілини між стіною і дверною коробкою . Виготовляється з МДФ .
Товщина - 12 мм,
Ширина – 80 мм,
Довжина – 2150 мм.
Матеріали: МДФ, Фарбування
Гладка лиштва.
Фарбований або шпонований МДФ


Лиштва з канелюрами.
Фарбований МДФ



Що таке добір?
Добір - цей елемент заповнює простір, різницю між глибиною дверної коробки і товщиною стінки.
Товщина - 12мм.
Ширина – робочі/габаритні: 11/30, 91/110, 181/200, 300/320, 400/420 (6 мм шип та 13 мм добору входить в коробку).
Довжина – 2070мм
Матеріали:
- МДФ
- Фарбування
| Добір (найменування) | Монтажна ширина в комплекті з коробкою |
|
Нульовий добір Добір 90 мм Добір 180 мм Добір 300 мм Добір 400 мм |
90 мм 170 мм 260 мм 380 мм 480 мм |
При товщині нестандартних стін, добір підрізається в розмір до потрібної ширини під 90 градусів.
Матеріали та опис:
Брус для каркаса (переклеєний масив сосновий).
Брус - це матеріал, отриманий шляхом торцевого (по довжині) зрощування хвойних порід деревини в ламелі . Брус виготовляється з відібраних частин , в яких відсутні такі дефекти як сучки і смоляні кишені , тріщини.
Такий матеріал має ряд переваг:
- матеріал екологічний
- не розтріскується
- не має усадки
- стійка геометрія виробів
Що таке МДФ?
МДФ - це плита середньої щільності. МДФ виготовляється з висушених деревних волокон , оброблених синтетичним сполученням речовин і гарячим пресуванням.
Види покриття:
1. Лакофарбове покриття
Ліве відкривання

Праве відкривання

Технічні характеристики коробки МДФ серіі “Luxe”
| Розмір полотна (мм) | Габарити дверного блоку (мм) | Розмір дверного блоку по лиштві (мм) сторона А |
Розмір дверного блоку по лиштві (мм) від сторони добору сторона B |
||
| Висота | Ширина | Висота | Ширина | ||
| 2000х600 | 2050х670 | 2098 | 766 | 2108 | 786 |
| 2000х700 | 2050х770 | 2098 | 866 | 2108 | 886 |
| 2000х800 | 2050х870 | 2098 | 966 | 2108 | 986 |
| 2000х900 | 2050х970 | 2098 | 1066 | 2108 | 1086 |
| 2000х(600+600) | 2050х1275 | 2098 | 1371 | 2108 | 1391 |
| 2000х(700+700) | 2050х1475 | 2098 | 1571 | 2108 | 1591 |
| 2000х(800+800) | 2050х1675 | 2098 | 1771 | 2108 | 1791 |
Висота дверного блоку вказана з урахуванням зазорів між підлогою та дверним полотном (15мм), та між дверним полотном і коробкою (3мм).
Ширина дверного блоку вказана з урахуванням зазорів між полотном і коробкою (3+3=6мм).
Зазор між стіною і коробкою рекомендовано робити не більше 10-20 мм.
Схема фарбованої коробки МДФ серіі “Luxe”

Необхідні розміри прихованих петель: ширина ~30мм
В дверному полотні Ви матимете врізку під замок (за замовчуванням врізка йде у всі наші полотна).
Врізка під зворотню планку не здійснюється. Тому вибирайте її з урахуванням товщини дверного полотна 40 мм.
Зворотня планка, що застосовується до дверей товщиною 30 мм - не підходить!
Транспортування та зберігання
1. Дверні полотна транспортують будь-яким видом транспорту за умов дотримання правил та вимог, чинних на даному виді транспорту.2. Дверні полотна зберігати в сухому приміщенні з відносною вологістю не більше 60% при температурі від +5 до +40 °С. Вжити заходів для запобігання від механічних ушкоджень, забруднення, зволоження, впливу атмосферних опадів, від потрапляння прямих сонячних променів.
3. Зберігання дверних полотен має бути в горизонтальному положенні, або на торцевій частині з упором до стіни по обом краям виробу (див. рисунок)
Монтаж та експлуатація дверей
1. Дверні полотна повинні використовуватися у внутрішніх приміщеннях (без прямого атмосферного впливу) з відносною вологістю повітря не більше 60%при температурі від +5 до +40 °С.
2. Монтаж дверного полотна повинен здійснювати фахівець або будівельна організація.
3. При монтажі витримувати зазори 3-4 мм. між кромками дверного полотна і коробкою. Рекомендований зазор між підлогою та дверним полотном 7-15 мм.
4. Монтаж дверних полотен рекомендовано проводити тільки після закінчення будівельних робіт(штукатурні роботи, фарбуавання або поклейка шпалер та ін.). В разі необхідності їх проведення звернути увагу на рівень вологості в приміщенні.
5. Після закінчення монтажу дверного блоку, з метою захисту стіни від подряпин і ударів, рекомендуємо встановлювати дверний обмежувач(т.з. стопор, відбійник тощо).
6. Дверні полотна бажано встановити протягом 2-х тижнів після їх придбання.
7. Перед встановленням рекомендується на 3-4 дні помістити дверні полотна в приміщення, де вони будуть монтуватись, для акліматизації.
8. В процесі експлуатації дверних полотен не повинні застосовуватись механічні методи впливу на них, які викликають їх ушкодження.
9. При замовленні грунтовано-нефарбованих дверей перед фарбуванням полотна обов’язково провести його матування шліфувальним папером(зернистість 600-1000), або іншим абразивним матеріалом.
Гарантія
1. Гарантійний термін - 12 місяців з дати реалізації.2. Гарантійний термін експлуатації - не менше 60 місяців з моменту введення дверного полотна в експлуатацію при виконанні умов правильного монтажу та експлуатації.
Не буде розглядатися як брак:
1. Неоднорідніcть глянцю, текстури або зовнішнього вигляду в результаті самостійного нанесення покупцем будь-яких оздоблювальних матеріалів.2. Пошкодження, нанесені у результаті невиконання правил по транспортуванню, зберіганню, установки, умов експлуатації, або в результаті спроб самостійно полагодити чи змінити конструкцію дверного полотна.
Допускається:
1. Легке напилення фарби на торці полотна, яке невидиме візуально, але відчувається на дотик.2. Наявність непрокрасів та видимість рельєфу матеріалу на нижніх та верхніх торцях полотна, та технічні отвори на них (згідно з технологією виробництва).
3. Два місця з дефектними вкрапленнями не більше 1 мм. в діаметрі на 1 кв. м. полотна, які невидимі оком на відстані від 1 м. при денному освітленні. 4. Присутність краплин фарби в місцях технологічних пристрілів рамок в моделях ПО та ПОО.

